Kapazitive Wegsensoren für den Messbereich 0–6 mm
Produktbezeichnung: CPP-xxx
Spezifikationen
| CPP-xxx |
| Spannungsversorgung | +24VDC +/- 10% |
| +24VDC +/- 10% | <90mA, maximal |
| Linearer Messbereich CPP-222 | 0,2….2,2mm |
| Linearer Messbereich CPP-444 | 0,2….4,2mm |
| Linearer Messbereich CPP-464 | 0,2….6,4mm |
| Empfindlichkeit CPP-222 | 8μA/μm |
| Empfindlichkeit CPP-444 | 4μA/μm |
| Empfindlichkeit CPP-464 | 2,67μA/μm |
| Ausgangssignal | 4...20mA |
| Temperaturempfindlichkeit | <100ppm/K |
| Linearitätsfehler CPP-222 | 0,2….2,2mm, innerhalb 2% |
| Linearitätsfehler CPP-444 | 0,2….2,4mm, innerhalb 4% |
| Linearitätsfehler CPP-464 | 0,2….6,4mm, innerhalb 6% |
| Rauschen CPP-222 | +50μm (15μm RMS) bei 2,2mm |
| Rauschen CPP-444 | +100μm (30μm RMS) bei 4,2mm |
| Rauschen CPP-464 | +160μm (05μm RMS) bei 6,4mm |
| Wiederholgenauigkeit | <0,2% |
| Frequenzbereich (-3dB) | 0...1kHz |
| Minimale Abmessung des Ziels | Durchmesser 30mm |
| Temperaturbereich (Betrieb) | -25°C....85°C |
| Temperaturbereich (Lagerung) | -25°C....85°C |
| Schutzart | IP67 |
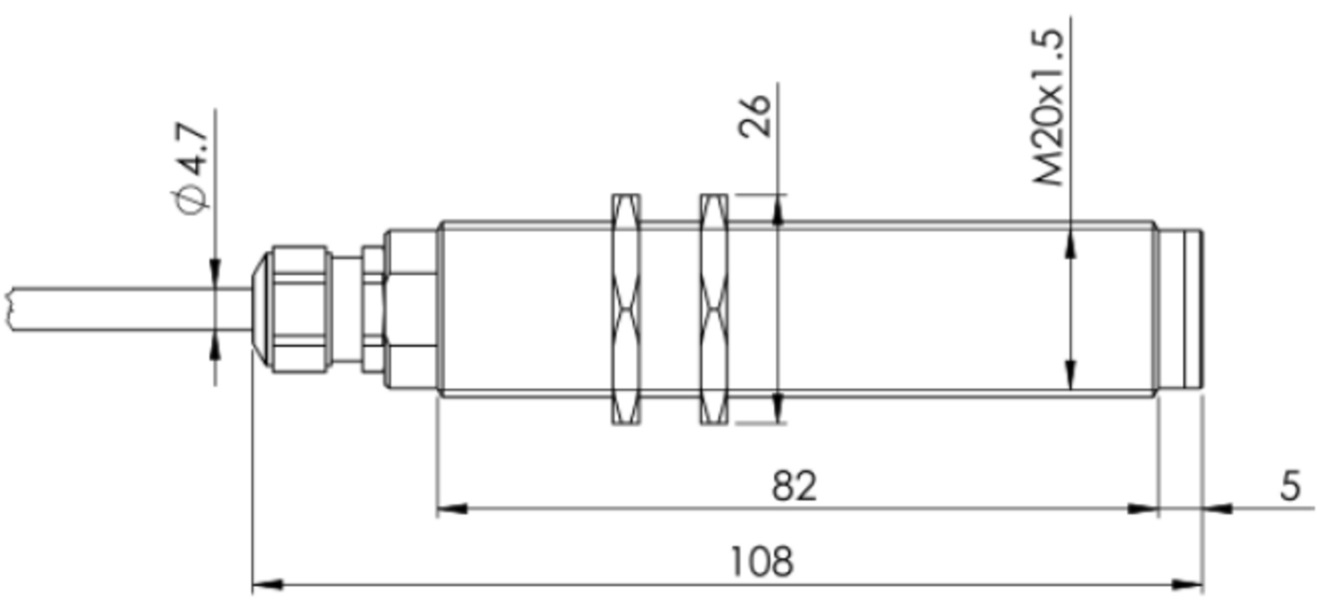
| Sensordurchmesser, Sensorlänge | M20x1,5 (mit integriertem Kabel), 80mm |
Anschlussbelegung

| Braun | Weiß | Grün | Klar |
| 24 V DC | Masse, 0 V | Signalausgang | Schirm |
Bestellbezeichnung
CPP-222 0,2…2,2mm Messbereich
CPP-444 0,4…4,4mm Messbereich
CPP-464 0,4…6,4mm Messbereich
Alle Modelle sind mit 10m oder 15m Gesamtkabellänge erhältlich.

Sie möchten mehr erfahren?
Gerne. Vereinbaren Sie Ihren persönlichen Beratungstermin mit Melanie Peintner.

