Signalverdoppler. Buffered Outputs
Produktbezeichnung: RMB-948
Spezifikationen
| RMB-948 |
Elektrische Eigenschaften |
|
Spannungsversorgung | ±24V +/- 10% |
| Stromaufnahme | ±20mA max. |
| Eingangs-/Ausgangsbereiche |
|
Spannungsmodi | ±24VIN bis ±24VOUT, ±24VIN bis ±10VOUT |
Strommodus | 0..20mA |
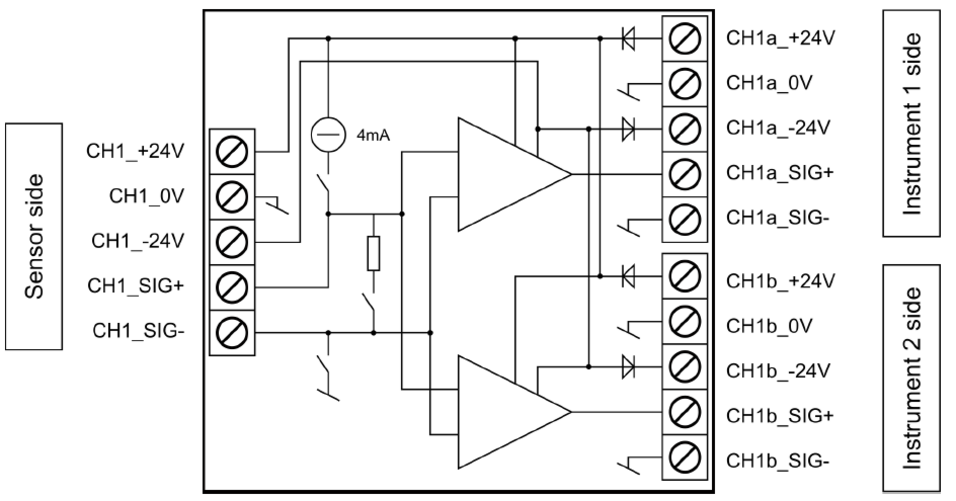
| Anzahl der unabhängigen Eingangskanäle | 4 |
Anzahl unabhängiger Ausgangskanäle | 8 |
| Skalierung Eingang zu Ausgang | 1:1 (oder 4:1) |
| Grenzfrequenz Spannung und ICP | DC bis 38kHz (-3dB), Strom : DC bis 5,5kHz (-3dB) |
| Ausgangsimpedanz | 100Ω im Spannungs- und IEPE-Ausgangsmodus <5Ω |
Maximaler Verstärkungsfehler | ±2% |
Maximaler Offset-Fehler | ±10mV oder ±20uA je nach Ausgangsmodus |
Umgebungsbedingungen |
|
Stromaufnahme | Typ. 60 mA |
Umgebungsbedingungen |
|
| Temperaturbereich Betrieb | 0 °C bis +55 °C |
| Temperaturbereich Lagerung | -20 °C bis +70 °C |
Physikalische Eigenschaften |
|
Montage | DIN 35mm Schienenmontage |
Anschlussklemmen | Eingänge und Ausgänge über Push-In-Kontakte |
Abmessungen (L x B x H ) in mm | 112 x 180 x 49 |

Sie möchten mehr erfahren?
Gerne. Vereinbaren Sie Ihren persönlichen Beratungstermin mit Roland Peintner.


