7bit Synapse – Digital I/O für das WebHMI
Produktbezeichnung: SYNAPSE
Anschluss an das Gerät
Das Modul erhält automatisch eine Adresse über DHCP. Suchen Sie ein neues Gerät in der DHCP-Tabelle auf Ihrem Router und weisen Sie ihm eine statische IP zu. Gerät neu starten. Alternativ ändern Sie die IP-Adresse über den Browser (Standard IP im Auslieferungszustand: 192.168.4.1).
Verdrahtung
Synapse hat einen integrierten Switch, der es einfach macht, zahlreiche Module einfach in "daisy chain Technik" zu verbinden. Da es sich um einen echten Ethernet-Switch handelt, kann jede Verbindung bis zu 100 m betragen. Es ist auch möglich h, das Gerät an einer beliebigen Stelle einer bestehenden Ethernet-Verbindung anzuschließen.
Synapse hat 8 digitale Eingänge mit einer gemeinsamen Masse. Sie können mit einer externen (12–24 V) oder interner isolierter DC-Spannungsversorgung, als Senken- oder Quellen Eingänge gespeist werden. Jeder Eingang kann gleichzeitig als 32-Bit Zähler mit einer maximalen Frequenz von 1 kHz verwendet werden. Zur Vermeidung von Jittering, hat jeder Eingang einen einstellbaren Filter (20 ms Standard, der kürzere Impuls wird nicht beeinflusst). Zum Deaktivieren des Filters setzen Sie bitte das Register auf 0 (siehe Modbus-Datentabelle).
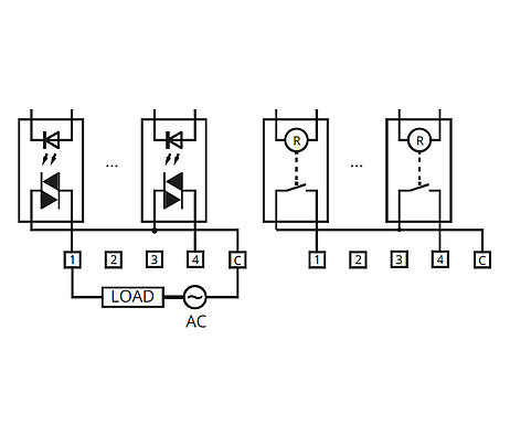
Synapse hat 8 digitale Ausgänge, die in zwei isolierte Gruppen aufgeteilt sind. Es sind wenige mögliche Arten von Ausgangsschaltungen, wie Triac (SSR) oder Relais (R), oder deren Kombination (4 + 4) möglich. Durch die Nulldurchgangserkennung Einheit bietet der SSR das komfortable Schalten jeder AC-Last im Bereich 85–220 V, 2 A. Die Relaisausgänge werden üblicherweise für potentialfreie Kontakte und DC-Signale verwendet.
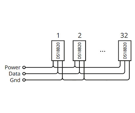
Das Modul Synapse bietet Anschluss von bis zu 32 digitalen Temperatursensoren DS18B20 über 1-Wire-Bus mit einer maximalen Länge von 200 m, wie in der Abbildung unten dargestellt. Suche nach 1-Wire-Sensoren. Jeder DS18B20 hat seine eigene eindeutige Nummer. Es sind zunächst keine Sensoren im System. Der Parameter für die Gesamtmenge der Sensoren (HR33) ist 0, und alle Temperaturregister (IR0 - IR31) zeigen -1000, siehe Tabelle Modbus-Daten. Bei jedem Booten sucht das System nach Sensoren und fügt sie der Liste hinzu, wodurch der Parameter HR33 erhöht wird. Wenn das nächste Mal einige Sensoren nicht gefunden werden, werden sie nicht aus der Liste gelöscht. Ihr Wert wird als -1000 angezeigt, und die neuen Sensoren werden am Ende der Liste hinzugefügt. Unter Liste zu aktualisieren und jederzeit neue Sensoren zu finden, setzen Sie HR 33 auf 0. Wenn mindestens ein Sensor vorhanden ist, sollte die 1-WIRE-Anzeige gelb blinken.
Modbus Registertabelle
Die folgenden Abkürzungen werden verwendet, für Modbus Funktionen:
- C – Coils
- DI – Digital Input
- HR – Holding Registers
- IR – Input Registers
- W – Word (2 Byte Länge)
- DW – Double Word (4 Byte Länge)
| Nummer | Beschreibung | Adresse | Data | Type | Def. |
| 1 | Input points | DI0–DI7 | Bit | R | – |
| 2 | Output points | C0–C7 | Bit | W | – |
| 3 | Counters 1–8 | HR0–HR15 | DW | R/W | – |
| 4 | Input filter 1–8 | HR20–HR27 | W | R/W | 20 |
| 5 | Reboot counter | HR30 | W | R/W | – |
| 6 | System uptime (seconds) | HR31 | DW | R/W | – |
| 7 | Total sensors quantity | HR33 | W | R/W | 0 |
| 8 | Temperatures 1–32* | IR0–IR31 | W | R | –1.000 |
| 9 | User data area** | HR34–HR900 | ND | R/W | – |
Troubleshooting
Wenn Synapse mit Strom versorgt wird, muss die rote POWER-LED leuchten. Bei normal arbeitendem Gerät blinkt die SYSTEM-LED grün. Wenn in Ihrem System keine Daten vom Remote-IO vorhanden sind, verwenden Sie den "ping"-Befehl, um eine Antwort vom Modul zu erhalten, und um sicher zu sein, dass die verwendete IP-Adresse korrekt ist und das Netzwerk normal funktioniert. Wenn keine Antwort erfolgt, überprüfen Sie die Verdrahtung und alle Einstellungen.
Synapse verfügt über einen internen Watchdog, der das Gerät im Falle einer versehentlichen Fehlfunktion neu starten kann. Beachten Sie die internen Register HR30 (Neustartzähler) und HR31 (Systembetriebszeit), um auf aufgetretene Geräteausfälle zu überprüfen.
Bei Problemen mit dem Hinzufügen von Temperatursensoren ist die wahrscheinlichste Ursache die Länge des 1-Wire-Busses oder dessen Topologie (Signal- oder Leistungsdämpfung, verursacht durch eine zu lange Leitung, Störungen durch Seitenäste etc.). Versuchen Sie vor allem Sensoren mit einer kurzen Leitung anzuschließen. Wenn ok, dann Verdrahtung prüfen (siehe allgemeine Maxim 1-Wire Empfehlungen).

Sie möchten mehr erfahren?
Gerne. Vereinbaren Sie Ihren persönlichen Beratungstermin mit Roland Peintner.







